آرشیو برچسب های: تبدیل،سینگل اندد، دیفرانسیلی،مدار،
تبدیل سیگنال سینگل اندد(single-ended) به دیفرانسیلی(Differential)
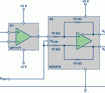
سیگنال سینگلل اندد و دیفرانسیلی چیست؟ بسیار مهم است که بدانیم چه تفاوت هایی میان [...]
24
تیر
تیر
سیگنال سینگلل اندد و دیفرانسیلی چیست؟ بسیار مهم است که بدانیم چه تفاوت هایی میان [...]